Промопт
zakaz@promopt.store
+7 495-127-06-21
+7 495-127-06-21
Заказать звонок
E-mail
zakaz@promopt.store
Адрес

Адрес офиса: г. Красноярск, пр-кт им. Газеты «Красноярский Рабочий», д. 27 стр. 64, пом. 7

Адрес склада: Северный м-н, Советский район, г. Красноярск, Светлогорская улица, 39

+7 495-127-06-21

Заказать звонок
Каталог
  • Автоматы
    • Автоматические выключатели
    • Воздушные автоматические выключатели
    • Втычные автоматические выключатели
    • Выключатели остаточного тока
    • Дифавтоматы
    • Защиты двигателя
    • Защиты от аварийного тока
    • Защиты трансформатора
    • Пожарные выключатели
    • Узо
  • Барьеры MTL
  • Блоки питания для датчиков
    Блоки питания для датчиков
    • AS-i блоки питания
    • Блок питания 24В       
      • Блоки питания 220 В постоянного тока
      • Блоки питания 380 В постоянного тока
    • Блоки питания и ИБП      
      • Источники бесперебойного питания
      • Преобразователи постоянного тока
      • Резервные модули
    • Коммутирующие усилители
    • Электронные выключатели цепи 24 В DC
  • Вакуумная техника
    Вакуумная техника
    • Вакуумное оборудование
    • Прочее
  • Гидравлическое оборудование
    Гидравлическое оборудование
    • Принадлежности для гидравлического оборудования      
      • Гидравлическая увязка
    • Техника для гидравлического оборудования      
      • Клапаны
  • Датчики систем безопасности
    Датчики систем безопасности
    • Барьер
    • Выключатели аварийной остановки
    • Датчик RFID
    • Дверные выключатели безопасности
    • Индуктивные датчики безопасности
    • Коврики безопасности
    • Концевые выключатели безопасности
    • Реле безопасности
    • Фотобарьеры      
      • Многолучевые барьеры безопасности
      • Однолучевые барьеры безопасности
    • Энкодеры безопасности
  • Запорная арматура
    Запорная арматура
  • Запчасти для спецтехники
    • Kingnor
    • normet
  • Инсталляционные приборы
    • Автоматические выключатели FAZ. PLHT, PLSM
    • Автоматические выключатели HL (4,5 кА)
    • Автоматические выключатели PL6 (6 кА)
    • Автоматические выключатели PL7 (10kA)
    • Автоматические выключатели защиты двигателей Z-MS; аксессуары для модульной техники
    • Аксессуары DNW, FAZ
    • Держатели плавких вставок, плавкие вставки и остальные инсталляционные приборы
    • Дифференциальные автоматические выключатели HNB
    • Дифференциальные автоматические выключатели mRB4, mRB6
    • Дифференциальные автоматические выключатели PFL6
    • Дифференциальные автоматические выключатели PFL7
    • Ограничители перенапряжения SP и другие
    • Остальные модульные приборы
    • Силовые автоматические выключатели      
      • Автоматические выключатели BZM1 до 125А (25кА)
      • Автоматические выключатели BZM2 до 250А (25кА)
      • Автоматические выключатели BZM3
      • Автоматические выключатели IZM26
      • Автоматические выключатели IZMX16, IZMX40
      • Автоматические выключатели LZM1 и выключатели-разъединители LN1
      • Автоматические выключатели LZM2 и выключатели-разъединители LN2
      • Автоматические выключатели LZM3 и выключатели-разъединители LN3
      • Автоматические выключатели LZM4 и выключатели-разъединители LN4
      • Автоматические выключатели NZM1, выключатели-разъединители N1 и PN1
      • Автоматические выключатели NZM2, выключатели-разъединители N2 и PN2
      • Автоматические выключатели NZM3, выключатели-разъединители N3 и PN3
      • Автоматические выключатели NZM4, выключатели-разъединители N4 и PN4
      • Аксессуары для BZM1 и BZM2
      • Аксессуары для IZM26, IZMX16, IZMX40
      • Аксессуары для NZM - втычное и выкатное исполнение
      • Аксессуары для NZM - диагностика и другое
      • Аксессуары для NZM - моторные приводы
      • Аксессуары для PDE
    • Устройства защитного отключения HNC
    • Устройства защитного отключения PF6
    • Устройства защитного отключения PF7 и другие
    • Устройство защиты от дуги, токов КЗ, токов перегрузки и токов утечки AFDD
    • Цифровые дифференциальные автоматические выключатели FRBdM
    • Цифровые устройства защитного отключения FRCdM
    • Еще
  • Кабели и провода
    • Кабельная разводка датчиков и исполнительных элементов      
      • Кабели для применения в Северной Америке
      • Кабельные соединения специального назначения
      • Подготовленные кабели
      • Приборные соединители
      • Разветвители и адаптеры
      • Список изделий: принадлежности
      • Товар на метры
      • Штекерный соединитель
    • Медный кабель
    • Монтажный и установочный материал      
      • Заземление и экранирование
      • Коробки подключения и полые корпуса
      • Монтажная рама штекера
      • Распределительные блоки, безвинтовые клеммы и евроклеммы
      • Розетки и сервисные интерфейсы
      • Система ввода кабеля
      • Система кабелепровода
      • Системы защиты кабеля
      • Электроустановочный материал для электрошкафа
    • Оптоволоконные кабели
  • Клеммы и клеммные блоки
    • Аксессуары для клемм
    • Зажимы проходные, клеммные блоки
    • Клеммы безвинтовые (СМК)
  • Комплектующие для БПЛА
  • Контрольно-измерительные приборы
    Контрольно-измерительные приборы
    • Анализаторы
    • Датчики Honeywell      
      • Датчики и реле давления Honeywell
      • Датчики температуры Honeywell
      • Промышленные детекторы пламени Honeywell
    • Инклинометр
    • Калибраторы
    • Клещи
    • Мультиметры
    • Осциллографы
    • Регуляторы давления газа Honeywell
    • Тепловизоры
    • Тестеры
  • Концевые выключатели
    Концевые выключатели
    • Блочные кулачковые выключатели
    • Концевые выключатели      
      • Аксессуары для концевых переключателей
      • Канатные концевые выключатели
      • Металлические концевые выключатели серии PL
      • Металлические концевые выключатели серии КP
      • Ножные выключатели серии К
      • Пластиковые микровыключатели
      • Пластиковые серии KB, KC и металлические серии KM, KN - концевые выключатели
      • Пластмассовые концевые выключатели серии T (стандарт EN 50041)
      • Предохранительные выключатели с соленоидом и отдельным приводом
    • Механические концевые выключатели
    • Тросовые концевые выключатели
  • Насосное оборудование и соединения
    Насосное оборудование и соединения
    • Насосы и насосное оборудование      
      • Компоненты для насосов
      • Промышленные насосы
    • Соединения      
      • Быстроразъемные соединения
      • Ремкомплекты БРС
  • Низковольтное оборудование
  • Оборудование для зарядки электромобилей
    • Зарядные кабели и розетки
    • Стартовые комплекты для зарядных станций
    • Устройства управления процессом зарядки
  • Переключатели и кнопки
    Переключатели и кнопки
    • Аварийные выключатели
    • Аксессуары для кнопок и переключателей      
      • Блоки контактов и индикации
      • Головки кнопок
      • Кнопочные посты
      • Корпуса переключателей
      • Плоские
      • Световой модуль
    • Кнопочные выключатели
    • Селекторные переключатели
    • Селекторные переключатели с ключом
    • Сигнальные кнопки
  • ПЛК и системы ввода-вывода
    • PLCnext Control
    • Классические ПЛК
    • ПЛК для инфраструктуры зданий
    • Программируемая система логических реле
    • Системы ввода-вывода для электрошкафов (IP20)
  • Пневматические узлы
    Пневматические узлы
  • Пневматическое оборудование
    Пневматическое оборудование
    • Глушитель воздуха
    • Дроссели      
      • Дроссель
    • Запчасти для пневмосистем
    • Пневматическая трубка
    • Пневматические захваты
    • Пневмоклапаны
    • Пневмоприводы
    • Пневмоцилиндры
    • Пневмошланги и фитинги
    • Подготовка воздуха
    • Распределители
    • Ресиверы воздушные
    • Соединения
    • Еще
  • Подшипники
    Подшипники
  • Помехоподавляющие фильтры и защита от импульсных перенапряжений
    • Защита от импульсных перенапряжений для КИПиА
    • Защита передающих и принимающих устройств от импульсных перенапряжений
    • Помехоподавляющие фильтры
    • Тестер для устройств защиты от импульсных перенапряжений
    • Устройства защиты от импульсных перенапряжений для информационных систем
    • Устройства защиты от перенапряжений для блоков питания
  • Приводная техника
    Приводная техника
    • Грузоподъемной оборудоване
    • Двигатели и контроллеры      
      • Двигатели
      • Контроллеры и платы управления Honeywell
      • Сервоприводы Honeywell
    • Коммутационное оборудование      
      • Пуск и защита двигателя
    • Контроллеры
    • Промышленные редукторы
    • Серводвигатели
    • Сервоприводы
    • Устройства плавного пуска
    • Частотные преобразователи
  • Принадлежности и аксессуары
    Принадлежности и аксессуары
    • Аксессуары Leuze      
      • Отклоняющие зеркала / зеркальные колонны
      • Сеть, кабели и соединители
    • Аксессуары для магнитострикционных датчиков линейных перемещений      
      • Позиционные магниты для стержневых датчиков линейных перемещений
    • Оборудование для подключения датчиков      
      • Y-образные разветвители для датчиков
      • Коробки распределительные для датчиков
      • Разъемы для датчиков
      • Соединительные кабели для датчиков
    • Принадлежности для датчиков прикосновения      
      • Символы и фланцы
    • Принадлежности для датчиков технического зрения      
      • Защитные панели
      • Кодовая лента
      • Монтажные наборы для датчиков технического зрения
      • Сенсорные панели ПК
      • Устройства подсветки для проверки положения и контура
    • Принадлежности для датчиков цилиндров      
      • Монтажные адаптеры для датчиков цилиндров
    • Принадлежности для запорно-регулирующей арматуры      
      • Инициаторы для индуктивных датчиков
      • Монтажные адаптеры для клапанов с выдвижным штоком
      • Монтажные наборы для вентильных приводов
      • Монтажные наборы для ручных и шаровых клапанов
    • Принадлежности для интерфейса AS      
      • Кабеля для шины AS-i
    • Принадлежности для лазерных датчиков      
      • Инструменты для монтажа и точной регулировки лазерных датчиков
    • Принадлежности для линейных магнитных энкодеров
    • Принадлежности для магнитных датчиков      
      • Демпфирующие магниты
    • Принадлежности для многолучевых барьеров и завес безопасности      
      • Принадлежности для монтажа
      • Принадлежности для настройки и тестирования
      • Угловые зеркала
    • Принадлежности для оптоволоконных датчиков
    • Принадлежности для систем идентификации      
      • Адаптеры для антенн
      • Монтажные принадлежности
      • Соединительные кабели для антенн
    • Принадлежности для систем сигнализации и изображения      
      • Монтажные принадлежности для систем сигнализации и изображения
    • Принадлежности для систем управления и автоматизации
    • Принадлежности для фотоэлектрических датчиков      
      • Диафрагмы
      • Зеркальные насадки
      • Объективы и комплектующие
      • Оптические фильтры
      • Отражающие зеркала
      • Подсветки
      • Рефлекторы (отражатели) для оптических датчиков
      • Юстировочные приспособления
    • Принадлежности для энкодеров      
      • Кодовая лента для энкодеров
    • Регуляторы реактивной мощности и тиристорные модули      
      • Регуляторы реактивной мощности
    • Еще
  • Программируемые логистические контроллеры (PLC)
  • Программируемые системы и устройства
    Программируемые системы и устройства
    • Аксессуары к программируемым устройствам
    • Вводы      
      • Вертикальные
      • Номинального тока
    • Контроллер промышленный
    • Модули ввода/вывода
    • Панели оператора
    • Программируемые реле      
      • Программируемые логические реле
    • Пускорегулирующие устройства
  • Промышленная автоматизация
    • Автоматизация безопасности
    • Автоматы, диффавтоматы, узо      
      • Автоматические выключатели
      • Выключатели нагрузки
      • Дифференциальные автоматы (дифавтомат)
      • Доп оборудование
      • Зарядные станции
      • Модульные контакторы
      • Разъединители-предохранители
      • Устройства защитного отключения (УЗО)
    • Аксессуары Honeywell      
      • Термопары Honeywell
    • Аксессуары для автоматики
    • Аксессуары для разъемов
    • Блоки
    • Блоки питания
    • Выключатели      
      • Аварийные
      • В корпусе
      • Выключатели жалюзи (рольставней)
      • Выключатели и переключатели
      • Выключатели разъединители Lovato
      • Выключатели самовозвратные
      • Выключатели со шнуром
      • Звонки
      • Карточные выключатели
      • Клавиши
      • Комплектующие
      • Концевые
      • Кулачковые
      • Нагрузки
      • Поворотные выключатели
      • Сенсорные и электронные
    • Датчики
    • Инсталляционные приборы
    • Клеммы и штекерные соединители для печатных плат      
      • Клеммы для печатных плат
      • Разъемы для печатных плат
      • Сильноточные проходные клеммы
      • Штекерные соединители плата-плата
    • Контроль климата      
      • Вентиляция воздуха
      • Кондиционеры
      • Термостаты и обогреватели
    • Корпуса      
      • Для автоматов
      • Для счетчиков
      • Изолированные
    • Лицевые панели (накладки)      
      • Заглушки
      • На USB розетки
      • На вывод кабеля
      • На карточные выключатели
      • На компьютерные розетки
      • На мультимедийные розетки
      • На поворотные выключатели
      • На светорегуляторы и реостаты
      • На таймеры
      • На ТВ розетки
      • На электрические розетки
    • Лючки, коробки, стойки, комплектующие      
      • Короба и комплектующие
      • Коробки
      • Лючки
      • Стойки и колонны
    • Маркировка и нанесение обозначений      
      • Маркировка клемм
      • Маркировка оборудования
      • Маркировка проводников и кабелей
      • Маркировка устройств
      • ПО для проектирования и маркировки
      • Система RFID для маркировки оборудования и установок
      • Системы печати и маркировки
    • Модули      
      • Модули расширения и принадлежности
    • Модули Controllogix
    • Мониторинг      
      • Измерение энергии и мощности
      • Мониторинг и диагностика
      • Устройства измерения тока и напряжения
    • Оборудование Mean Well
    • Панели
    • Пластиковые и металлические щиты      
      • Аксессуары для щитов
      • Клеммы и комплектующие
      • Металлические щиты
      • Напольные щиты
      • Пластиковые щиты
      • Сборные корпуса щитов
      • Щиты, шкафы, шинопровод
    • Преобразователи частоты Powerflex
    • Программы и программные приложения      
      • Программное обеспечение и приложения Synergy
    • Промышленные системы      
      • Дополнительное оборудование
      • Контроллеры, модули и коммутаторы
      • Проектная приводная техника
      • Промышленные датчики Telemecanique
      • Серводвигатели
      • Системы управления
      • Частотно-регулируемые преобразователи (ЧРП)
    • Радио      
      • Аксессуары для радио
      • Динамики
      • Радиоприемники
    • Разъемы компьютерные
    • Разъемы промышленные
    • Рамки      
      • 1-постовые
      • 2-постовые
      • 3-постовые
      • 4-постовые
      • 5-постовые
      • Адаптеры и переходники для рамок
      • Монтажные и модульные рамки
    • Регуляторы и датчики      
      • Датчики переключения
      • Датчики присутствия и движения
      • Дисплеи и домофоны
      • Идентификация
      • Измерительные датчики
      • Передача данных и компоненты управления
      • Регуляторы
      • Светорегуляторы (диммеры)
      • Таймеры
      • Терморегуляторы
      • Устройства для промышленной безопасности
      • Устроства для системы промышленного зрения и обработки изображения
    • Реле      
      • Аналоговые реле
      • Времени
      • Вспомогательное
      • Импульсное
      • Импульсные реле
      • Контроля
      • Контроля фаз
      • Перегрузки
      • Приоритетное
      • Реле контроля тока утечки на землю
      • Реле контроля уровня проводящей жидкости
      • Термисторное
      • Установочное
      • Электронные реле
    • Реле электромагнитные
    • Розетки      
      • USB-розетки
      • Аудио-розетки
      • Выводы кабеля
      • Компьютерные розетки
      • Мультимедийные розетки
      • Промышленные розетки и разъемы
      • Розеточные блоки
      • Специальные и модульные розетки
      • ТВ-розетки
      • Телефонные розетки
      • Удлинители
      • Электрические розетки
      • Электрические с USB
    • Силовое оборудование      
      • Автоматические воздушные выключатели
      • Автоматические выключатели в литом корпусе
      • Анализаторы мощности сети
      • Конденсаторы
      • Предохранители
      • Пускорегулирующая аппаратура
      • Рубильники
      • Светосигнальная аппаратура
      • Трансформаторы
      • Устройства плавного пуска
      • Щитовые приборы
    • Системная кабельная разводка для контроллеров      
      • Компоненты для дополнительного оснащения и модернизации
      • Разделитель потенциалов
      • Специальная кабельная разводка для контроллеров
      • Универсальные модули
      • Универсальный кабель
    • Устройства защиты      
      • Автоматические защитные выключатели
    • Функциональная безопасность      
      • Безопасные устройства управления
      • Коммутационные аппараты систем безопасности
      • Конфигурируемые системы безопасности
      • Предохранительный выключатель
    • Частотно-регулируемые приводы
    • Шкафы
    • Щиты
    • Электронные коммутационные аппараты и устройства управления двигателем
    • Еще
  • Промышленное освещение
    Промышленное освещение
    • Светодиодное производственное освещение станков и оборудования
  • Промышленные коммуникационные технологии
    • Комплектующие для Industrial Ethernet
    • Комплектующие для Industrial Wireless
    • Передача данных по полевой шине
    • Продукты в соответствии с протоколами
    • Удаленная связь
  • Промышленные сетевые интерфейсы
    Промышленные сетевые интерфейсы
    • AS-i интерфейс      
      • AS-i Датчики контроля заземления и изоляции
      • Дверные выключатели безопасности AS-i
      • Модули с AS-i интерфейсом
      • Пневмоострова AS-i для пневматических систем
      • Шлюзы с AS-i интерфейсом
    • IO-Link интерфейс      
      • Модули IO-Link
      • Принадлежности для системы IO-Link
  • Распределённая система управления (DCS)
  • Сигнальное оборудование
    Сигнальное оборудование
    • Светодиодные LED индикаторы
    • Светосигнальные колонны      
      • Светодиодные сигнальные колонны
  • Системы идентификации
    Системы идентификации
    • 2D Сканеры кода Data Matrix
    • RFID оборудование      
      • RFID Антенны
      • RFID метки транспондеры
      • RFID портативные приборы чтения-записи
      • RFID считыватели меток
      • Блоки контроля и обработки RFID
    • Ручные сканеры 1D штрих-кодов
    • Ручные сканеры 2D штрих-кодов
    • Сканеры 1D штрих-кодов
    • Сканеры 2D штрих-кодов
  • Системы мониторинга и диагностики
    Системы мониторинга и диагностики
    • Датчики контроля качества масла
    • Системы для мониторинга и диагностики вибрации      
      • Акселерометры
      • Датчики вибрации
      • Приборы диагностики вибрации
  • Системы технического зрения
    Системы технического зрения
    • 2D-датчики
    • 3D-датчики
    • 3D-камеры
    • Видеокамеры для подвижной техники
    • Датчики изображения для точного позиционирования
    • Принадлежности для 3D-датчиков и камер
  • Телефонное оборудование
    • Аналоговые телефоны      
      • NEC для аналога
      • Аксессуар для аналога
    • УПАТС      
      • NEC
  • Умный дом
    • Автоматика и шкафы
    • Исполнительные и системные устройства
    • Принадлежности
    • Теплый пол
    • Электронные и сенсорные выключатели
  • Устройства HMI и промышленные ПК
    • Промышленные ПК
    • Устройства HMI
    • ЧМИ и промышленные ПК для неблагоприятных условий окружающей среды
  • Устройства и оборудование от Siemens
    Устройства и оборудование от Siemens
    • Автоматизация Siemens SIMATIC      
      • SIMATIC DP
      • Simatic S7
      • SIPLUS LOGO
      • Логические модули Siemens LOGO!
      • Модули центральных процессоров
      • Программаторы Field PG M6
      • Система автоматизации SIMATIC TDC
      • Система соединителей
      • Система управления движением SIMOTION
      • Системы ввода/вывода
    • Промышленные компьютеры      
      • Flat Panels
      • SIMATIC Box PC
      • SIMATIC Panel PС
      • SIMATIC Rack PC
      • Панели оператора SIPLUS HMI
      • Системы визуализации SIMATIC HMI
      • Устройства для особых требований
    • Частотные преобразователи Siemens      
      • SINAMICS DCM
      • SINAMICS S120CM
      • Базовая система сервопривода SINAMICS V90
      • Высокопроизводительные преобразователи SINAMICS S
      • Отраслевые преобразователи частоты
      • Преобразователи частоты общего назначения
      • Приводная система SIMATIC MICRO-DRIVE
      • Распределенные преобразователи частоты
      • Распределенный сервопривод SINAMICS S120M
      • Сервоприводная система SINAMICS S200
      • Сервоприводная система SINAMICS S210
      • Частотный преобразователь SINAMICS S150
  • Холодильные компрессоры
    • Поршневые компрессоры      
      • Поршневые компрессоры Bitzer
    • Спиральные компрессоры      
      • Cпиральные компрессоры Danfoss
      • Спиральные компрессоры Copeland
      • Спиральные компрессоры Hitachi
      • Спиральные компрессоры Mitsubishi Heavy
      • Спиральные компрессоры Panasonic
      • Спиральные компрессоры Samsung
  • Электромеханическое оборудование
    Электромеханическое оборудование
    • Комплектующие для контроллеров
    • Пневматические системы управления
    • Пневмоострова
    • Системы перемещения
    • Системы позиционирования
    • Электромеханические приводы
    • Электронные контроллеры
    • Электротехнические клеммы      
      • Болтовое соединение
      • Быстрое соединение
      • Винтовой зажим
      • Зажим push-in
      • Нестандартное подключение
      • Пружинные зажимы
      • Список продукции: Принадлежности
      • Электротехнические клеммы для систем защиты и управления
  • Электроустановочные изделия
  • Энкодеры
    Энкодеры
    • Абсолютные энкодеры      
      • Абсолютные многооборотные энкодеры
      • Абсолютные однооборотные энкодеры
    • Датчики Энкодеры
    • Индуктивные датчики угловых перемещений
    • Инкрементальные энкодеры
    • Линейные энкодеры      
      • Магнитные линейные энкодеры
      • Тросовые энкодеры
    • Программируемые энкодеры
Бренды
Услуги
Компания
  • О компании
  • Отзывы
Информация
  • Реквизиты
  • Доставка и оплата
  • Гарантия на товар
  • Политика конфиденциальности
Контакты
Сделать запрос
    Войти
    0
    0 Корзина
    Промопт
    Каталог
    zakaz@promopt.store
    +7 495-127-06-21
    +7 495-127-06-21
    Заказать звонок
    E-mail
    zakaz@promopt.store
    Адрес

    Адрес офиса: г. Красноярск, пр-кт им. Газеты «Красноярский Рабочий», д. 27 стр. 64, пом. 7

    Адрес склада: Северный м-н, Советский район, г. Красноярск, Светлогорская улица, 39

    +7 495-127-06-21

    Войти
    0 Избранное
    0 Корзина
    Промопт
    Телефоны
    +7 495-127-06-21
    Заказать звонок
    0
    0
    Промопт
    • Кабинет
    • 0 Избранное
    • 0 Корзина
    • +7 495-127-06-21
      • Назад
      • Телефоны
      • +7 495-127-06-21
      • Заказать звонок
    • zakaz@promopt.store
    • Адрес офиса: г. Красноярск, пр-кт им. Газеты «Красноярский Рабочий», д. 27 стр. 64, пом. 7

      Адрес склада: Северный м-н, Советский район, г. Красноярск, Светлогорская улица, 39

      +7 495-127-06-21

    Главная
    Каталог
    Промышленная автоматизация
    Функциональная безопасность
    Коммутационные аппараты систем безопасности
    Реле безопасности Phoenix Contact

    Реле безопасности Phoenix Contact

    169 товаров
    Фильтр
    Сначала популярные
    С начала алфавита
    С конца алфавита
    Сначала непопулярные
    Сначала популярные
    Сначала дешевые
    Сначала дорогие
    По возрастанию наличия
    По убыванию наличия
    Фильтр
    Сначала популярные
    С начала алфавита
    С конца алфавита
    Сначала непопулярные
    Сначала популярные
    Сначала дешевые
    Сначала дорогие
    По возрастанию наличия
    По убыванию наличия
    Цена
    Цена
    1 285
    42 684
    84 084
    125 483
    166 882
    Показать
    Бренд : Phoenix Contact
    Показать
    Выбрано: 0 Показать
    Выбрано: 0
    Быстрый просмотр
    Реле сопряжения PSR-PC51-1NO-1NC-24DC-SC Реле сопряжения PSR-PC51-1NO-1NC-24DC-SC
    52 736 ₽
    Реле сопряжения PSR-PC51-1NO-1NC-24DC-SC
    0
    В корзину
    Быстрый просмотр
    Шинные соединители на DIN-рейку PSR-TBUS Шинные соединители на DIN-рейку PSR-TBUS Шинные соединители на DIN-рейку PSR-TBUS Шинные соединители на DIN-рейку PSR-TBUS Шинные соединители на DIN-рейку PSR-TBUS
    2 106 ₽
    Шинные соединители на DIN-рейку PSR-TBUS
    0
    В корзину
    Быстрый просмотр
    Реле безопасности PSR-MC50-3NO-1DO-24DC-SC Реле безопасности PSR-MC50-3NO-1DO-24DC-SC Реле безопасности PSR-MC50-3NO-1DO-24DC-SC Реле безопасности PSR-MC50-3NO-1DO-24DC-SC
    24 794 ₽
    Реле безопасности PSR-MC50-3NO-1DO-24DC-SC
    0
    В корзину
    Быстрый просмотр
    Реле безопасности PSR-MC60-2NO-1DO-24DC-SP Реле безопасности PSR-MC60-2NO-1DO-24DC-SP Реле безопасности PSR-MC60-2NO-1DO-24DC-SP
    37 139 ₽
    Реле безопасности PSR-MC60-2NO-1DO-24DC-SP
    0
    В корзину
    Быстрый просмотр
    Реле сопряжения PSR-PC52-1NO-1NC-24DC-SP Реле сопряжения PSR-PC52-1NO-1NC-24DC-SP
    53 075 ₽
    Реле сопряжения PSR-PC52-1NO-1NC-24DC-SP
    0
    В корзину
    Быстрый просмотр
    Реле сопряжения PSR-SPP- 24UC/URM/3X1/3X2 Реле сопряжения PSR-SPP- 24UC/URM/3X1/3X2
    14 436 ₽
    Реле сопряжения PSR-SPP- 24UC/URM/3X1/3X2
    0
    В корзину
    Быстрый просмотр
    Реле безопасности PSR-MC42-2NO-1DO-24DC-SP Реле безопасности PSR-MC42-2NO-1DO-24DC-SP Реле безопасности PSR-MC42-2NO-1DO-24DC-SP
    48 416 ₽
    Реле безопасности PSR-MC42-2NO-1DO-24DC-SP
    0
    В корзину
    Быстрый просмотр
    Реле безопасности PSR-MC70-2NO-1DO-24DC-SC Реле безопасности PSR-MC70-2NO-1DO-24DC-SC Реле безопасности PSR-MC70-2NO-1DO-24DC-SC
    36 485 ₽
    Реле безопасности PSR-MC70-2NO-1DO-24DC-SC
    0
    В корзину
    Быстрый просмотр
    Реле безопасности PSR-MC30-2NO-1DO-24DC-SP Реле безопасности PSR-MC30-2NO-1DO-24DC-SP Реле безопасности PSR-MC30-2NO-1DO-24DC-SP Реле безопасности PSR-MC30-2NO-1DO-24DC-SP
    28 230 ₽
    Реле безопасности PSR-MC30-2NO-1DO-24DC-SP
    0
    В корзину
    Быстрый просмотр
    Реле сопряжения PSR-PC40-2NO-1DO-24DC-SP Реле сопряжения PSR-PC40-2NO-1DO-24DC-SP Реле сопряжения PSR-PC40-2NO-1DO-24DC-SP
    25 532 ₽
    Реле сопряжения PSR-PC40-2NO-1DO-24DC-SP
    0
    В корзину
    Быстрый просмотр
    Реле безопасности PSR-MS30-1NO-24DC-SC Реле безопасности PSR-MS30-1NO-24DC-SC Реле безопасности PSR-MS30-1NO-24DC-SC Реле безопасности PSR-MS30-1NO-24DC-SC
    22 837 ₽
    Реле безопасности PSR-MS30-1NO-24DC-SC
    0
    В корзину
    Быстрый просмотр
    Реле безопасности PSR-SPP- 24UC/ESL4/3X1/1X2/B Реле безопасности PSR-SPP- 24UC/ESL4/3X1/1X2/B Реле безопасности PSR-SPP- 24UC/ESL4/3X1/1X2/B Реле безопасности PSR-SPP- 24UC/ESL4/3X1/1X2/B Реле безопасности PSR-SPP- 24UC/ESL4/3X1/1X2/B
    37 542 ₽
    Реле безопасности PSR-SPP- 24UC/ESL4/3X1/1X2/B
    0
    В корзину
    Быстрый просмотр
    Кабель-адаптер CABLE-15/8/250/RSM/SIMO611D
    20 894 ₽
    Кабель-адаптер CABLE-15/8/250/RSM/SIMO611D
    0
    В корзину
    Быстрый просмотр
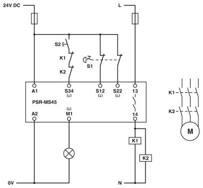
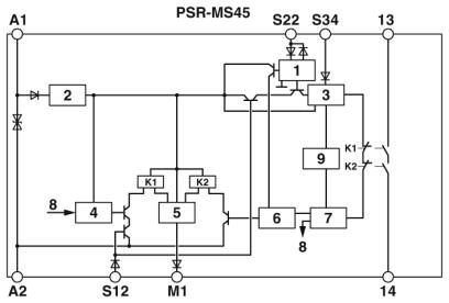
    Реле безопасности PSR-MS45-1NO-1DO-24DC-SC Реле безопасности PSR-MS45-1NO-1DO-24DC-SC Реле безопасности PSR-MS45-1NO-1DO-24DC-SC Реле безопасности PSR-MS45-1NO-1DO-24DC-SC
    22 837 ₽
    Реле безопасности PSR-MS45-1NO-1DO-24DC-SC
    0
    В корзину
    Быстрый просмотр
    Реле сопряжения PSR-PC50-1NO-1DO-24DC-SC Реле сопряжения PSR-PC50-1NO-1DO-24DC-SC
    46 960 ₽
    Реле сопряжения PSR-PC50-1NO-1DO-24DC-SC
    0
    В корзину
    Быстрый просмотр
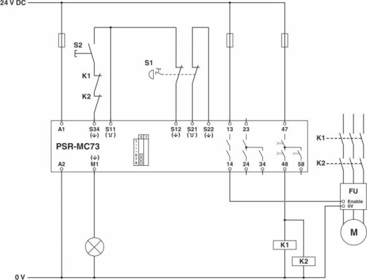
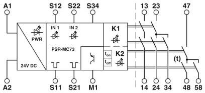
    Реле безопасности PSR-MC73-5NO-1DO-24DC-SC Реле безопасности PSR-MC73-5NO-1DO-24DC-SC
    73 227 ₽
    Реле безопасности PSR-MC73-5NO-1DO-24DC-SC
    0
    В корзину
    Быстрый просмотр
    Реле безопасности PSR-MC37-3NO-1NC-24DC-SP Реле безопасности PSR-MC37-3NO-1NC-24DC-SP Реле безопасности PSR-MC37-3NO-1NC-24DC-SP
    46 370 ₽
    Реле безопасности PSR-MC37-3NO-1NC-24DC-SP
    0
    В корзину
    Быстрый просмотр
    Реле безопасности PSR-MC62-2NO-1DO-24DC-SP Реле безопасности PSR-MC62-2NO-1DO-24DC-SP Реле безопасности PSR-MC62-2NO-1DO-24DC-SP
    42 159 ₽
    Реле безопасности PSR-MC62-2NO-1DO-24DC-SP
    0
    В корзину
    Быстрый просмотр
    Реле безопасности PSR-MC62-2NO-1DO-24DC-SC Реле безопасности PSR-MC62-2NO-1DO-24DC-SC Реле безопасности PSR-MC62-2NO-1DO-24DC-SC
    44 168 ₽
    Реле безопасности PSR-MC62-2NO-1DO-24DC-SC
    0
    В корзину
    Быстрый просмотр
    Кабель-адаптер CABLE-25/8/250/RSM/E-SIMO611D
    23 443 ₽
    Кабель-адаптер CABLE-25/8/250/RSM/E-SIMO611D
    0
    В корзину
    Загрузить еще
    1 2 3 ... 9
    Категория
    • Промышленная автоматизация
      • Функциональная безопасность
        • Безопасные устройства управления
        • Коммутационные аппараты систем безопасности
        • Конфигурируемые системы безопасности
        • Предохранительный выключатель
    Подписаться
    на новости и акции
    Интернет-магазин
    Каталог
    Бренды
    Услуги
    Компания
    О компании
    Отзывы
    Информация
    Реквизиты
    Доставка и оплата
    Гарантия на товар
    Политика конфиденциальности
    Помощь
    Защита личных данных
    Для юридических лиц
    Контакты
    zakaz@promopt.store

    Адрес офиса: г. Красноярск, пр-кт им. Газеты «Красноярский Рабочий», д. 27 стр. 64, пом. 7

    Адрес склада: Северный м-н, Советский район, г. Красноярск, Светлогорская улица, 39

    +7 495-127-06-21

    © 2019 — 2026 Промопт
    Конфиденциальность
    Оферта
    Главная Каталог 0 Корзина 0 Избранные Кабинет Акции Контакты Услуги Бренды Отзывы Компания Лицензии Документы Реквизиты Поиск Блог Обзоры