Промопт
zakaz@promopt.store
+7 495-127-06-21
+7 495-127-06-21
Заказать звонок
E-mail
zakaz@promopt.store
Адрес

Адрес офиса: г. Красноярск, пр-кт им. Газеты «Красноярский Рабочий», д. 27 стр. 64, пом. 7

Адрес склада: Северный м-н, Советский район, г. Красноярск, Светлогорская улица, 39

+7 495-127-06-21

Заказать звонок
Каталог
  • Автоматы
    • Автоматические выключатели
    • Воздушные автоматические выключатели
    • Втычные автоматические выключатели
    • Выключатели остаточного тока
    • Дифавтоматы
    • Защиты двигателя
    • Защиты от аварийного тока
    • Защиты трансформатора
    • Пожарные выключатели
    • Узо
  • Барьеры MTL
  • Блоки питания для датчиков
    Блоки питания для датчиков
    • AS-i блоки питания
    • Блок питания 24В       
      • Блоки питания 220 В постоянного тока
      • Блоки питания 380 В постоянного тока
    • Блоки питания и ИБП      
      • Источники бесперебойного питания
      • Преобразователи постоянного тока
      • Резервные модули
    • Коммутирующие усилители
    • Электронные выключатели цепи 24 В DC
  • Вакуумная техника
    Вакуумная техника
    • Вакуумное оборудование
    • Прочее
  • Гидравлическое оборудование
    Гидравлическое оборудование
    • Принадлежности для гидравлического оборудования      
      • Гидравлическая увязка
    • Техника для гидравлического оборудования      
      • Клапаны
  • Датчики систем безопасности
    Датчики систем безопасности
    • Барьер
    • Выключатели аварийной остановки
    • Датчик RFID
    • Дверные выключатели безопасности
    • Индуктивные датчики безопасности
    • Коврики безопасности
    • Концевые выключатели безопасности
    • Реле безопасности
    • Фотобарьеры      
      • Многолучевые барьеры безопасности
      • Однолучевые барьеры безопасности
    • Энкодеры безопасности
  • Запорная арматура
    Запорная арматура
  • Запчасти для спецтехники
    • Kingnor
    • normet
  • Инсталляционные приборы
    • Автоматические выключатели FAZ. PLHT, PLSM
    • Автоматические выключатели HL (4,5 кА)
    • Автоматические выключатели PL6 (6 кА)
    • Автоматические выключатели PL7 (10kA)
    • Автоматические выключатели защиты двигателей Z-MS; аксессуары для модульной техники
    • Аксессуары DNW, FAZ
    • Держатели плавких вставок, плавкие вставки и остальные инсталляционные приборы
    • Дифференциальные автоматические выключатели HNB
    • Дифференциальные автоматические выключатели mRB4, mRB6
    • Дифференциальные автоматические выключатели PFL6
    • Дифференциальные автоматические выключатели PFL7
    • Ограничители перенапряжения SP и другие
    • Остальные модульные приборы
    • Силовые автоматические выключатели      
      • Автоматические выключатели BZM1 до 125А (25кА)
      • Автоматические выключатели BZM2 до 250А (25кА)
      • Автоматические выключатели BZM3
      • Автоматические выключатели IZM26
      • Автоматические выключатели IZMX16, IZMX40
      • Автоматические выключатели LZM1 и выключатели-разъединители LN1
      • Автоматические выключатели LZM2 и выключатели-разъединители LN2
      • Автоматические выключатели LZM3 и выключатели-разъединители LN3
      • Автоматические выключатели LZM4 и выключатели-разъединители LN4
      • Автоматические выключатели NZM1, выключатели-разъединители N1 и PN1
      • Автоматические выключатели NZM2, выключатели-разъединители N2 и PN2
      • Автоматические выключатели NZM3, выключатели-разъединители N3 и PN3
      • Автоматические выключатели NZM4, выключатели-разъединители N4 и PN4
      • Аксессуары для BZM1 и BZM2
      • Аксессуары для IZM26, IZMX16, IZMX40
      • Аксессуары для NZM - втычное и выкатное исполнение
      • Аксессуары для NZM - диагностика и другое
      • Аксессуары для NZM - моторные приводы
      • Аксессуары для PDE
    • Устройства защитного отключения HNC
    • Устройства защитного отключения PF6
    • Устройства защитного отключения PF7 и другие
    • Устройство защиты от дуги, токов КЗ, токов перегрузки и токов утечки AFDD
    • Цифровые дифференциальные автоматические выключатели FRBdM
    • Цифровые устройства защитного отключения FRCdM
    • Еще
  • Кабели и провода
    • Кабельная разводка датчиков и исполнительных элементов      
      • Кабели для применения в Северной Америке
      • Кабельные соединения специального назначения
      • Подготовленные кабели
      • Приборные соединители
      • Разветвители и адаптеры
      • Список изделий: принадлежности
      • Товар на метры
      • Штекерный соединитель
    • Медный кабель
    • Монтажный и установочный материал      
      • Заземление и экранирование
      • Коробки подключения и полые корпуса
      • Монтажная рама штекера
      • Распределительные блоки, безвинтовые клеммы и евроклеммы
      • Розетки и сервисные интерфейсы
      • Система ввода кабеля
      • Система кабелепровода
      • Системы защиты кабеля
      • Электроустановочный материал для электрошкафа
    • Оптоволоконные кабели
  • Клеммы и клеммные блоки
    • Аксессуары для клемм
    • Зажимы проходные, клеммные блоки
    • Клеммы безвинтовые (СМК)
  • Комплектующие для БПЛА
  • Контрольно-измерительные приборы
    Контрольно-измерительные приборы
    • Анализаторы
    • Датчики Honeywell      
      • Датчики и реле давления Honeywell
      • Датчики температуры Honeywell
      • Промышленные детекторы пламени Honeywell
    • Инклинометр
    • Калибраторы
    • Клещи
    • Мультиметры
    • Осциллографы
    • Регуляторы давления газа Honeywell
    • Тепловизоры
    • Тестеры
  • Концевые выключатели
    Концевые выключатели
    • Блочные кулачковые выключатели
    • Концевые выключатели      
      • Аксессуары для концевых переключателей
      • Канатные концевые выключатели
      • Металлические концевые выключатели серии PL
      • Металлические концевые выключатели серии КP
      • Ножные выключатели серии К
      • Пластиковые микровыключатели
      • Пластиковые серии KB, KC и металлические серии KM, KN - концевые выключатели
      • Пластмассовые концевые выключатели серии T (стандарт EN 50041)
      • Предохранительные выключатели с соленоидом и отдельным приводом
    • Механические концевые выключатели
    • Тросовые концевые выключатели
  • Насосное оборудование и соединения
    Насосное оборудование и соединения
    • Насосы и насосное оборудование      
      • Компоненты для насосов
      • Промышленные насосы
    • Соединения      
      • Быстроразъемные соединения
      • Ремкомплекты БРС
  • Низковольтное оборудование
  • Оборудование для зарядки электромобилей
    • Зарядные кабели и розетки
    • Стартовые комплекты для зарядных станций
    • Устройства управления процессом зарядки
  • Переключатели и кнопки
    Переключатели и кнопки
    • Аварийные выключатели
    • Аксессуары для кнопок и переключателей      
      • Блоки контактов и индикации
      • Головки кнопок
      • Кнопочные посты
      • Корпуса переключателей
      • Плоские
      • Световой модуль
    • Кнопочные выключатели
    • Селекторные переключатели
    • Селекторные переключатели с ключом
    • Сигнальные кнопки
  • ПЛК и системы ввода-вывода
    • PLCnext Control
    • Классические ПЛК
    • ПЛК для инфраструктуры зданий
    • Программируемая система логических реле
    • Системы ввода-вывода для электрошкафов (IP20)
  • Пневматические узлы
    Пневматические узлы
  • Пневматическое оборудование
    Пневматическое оборудование
    • Глушитель воздуха
    • Дроссели      
      • Дроссель
    • Запчасти для пневмосистем
    • Пневматическая трубка
    • Пневматические захваты
    • Пневмоклапаны
    • Пневмоприводы
    • Пневмоцилиндры
    • Пневмошланги и фитинги
    • Подготовка воздуха
    • Распределители
    • Ресиверы воздушные
    • Соединения
    • Еще
  • Подшипники
    Подшипники
  • Помехоподавляющие фильтры и защита от импульсных перенапряжений
    • Защита от импульсных перенапряжений для КИПиА
    • Защита передающих и принимающих устройств от импульсных перенапряжений
    • Помехоподавляющие фильтры
    • Тестер для устройств защиты от импульсных перенапряжений
    • Устройства защиты от импульсных перенапряжений для информационных систем
    • Устройства защиты от перенапряжений для блоков питания
  • Приводная техника
    Приводная техника
    • Грузоподъемной оборудоване
    • Двигатели и контроллеры      
      • Двигатели
      • Контроллеры и платы управления Honeywell
      • Сервоприводы Honeywell
    • Коммутационное оборудование      
      • Пуск и защита двигателя
    • Контроллеры
    • Промышленные редукторы
    • Серводвигатели
    • Сервоприводы
    • Устройства плавного пуска
    • Частотные преобразователи
  • Принадлежности и аксессуары
    Принадлежности и аксессуары
    • Аксессуары Leuze      
      • Отклоняющие зеркала / зеркальные колонны
      • Сеть, кабели и соединители
    • Аксессуары для магнитострикционных датчиков линейных перемещений      
      • Позиционные магниты для стержневых датчиков линейных перемещений
    • Оборудование для подключения датчиков      
      • Y-образные разветвители для датчиков
      • Коробки распределительные для датчиков
      • Разъемы для датчиков
      • Соединительные кабели для датчиков
    • Принадлежности для датчиков прикосновения      
      • Символы и фланцы
    • Принадлежности для датчиков технического зрения      
      • Защитные панели
      • Кодовая лента
      • Монтажные наборы для датчиков технического зрения
      • Сенсорные панели ПК
      • Устройства подсветки для проверки положения и контура
    • Принадлежности для датчиков цилиндров      
      • Монтажные адаптеры для датчиков цилиндров
    • Принадлежности для запорно-регулирующей арматуры      
      • Инициаторы для индуктивных датчиков
      • Монтажные адаптеры для клапанов с выдвижным штоком
      • Монтажные наборы для вентильных приводов
      • Монтажные наборы для ручных и шаровых клапанов
    • Принадлежности для интерфейса AS      
      • Кабеля для шины AS-i
    • Принадлежности для лазерных датчиков      
      • Инструменты для монтажа и точной регулировки лазерных датчиков
    • Принадлежности для линейных магнитных энкодеров
    • Принадлежности для магнитных датчиков      
      • Демпфирующие магниты
    • Принадлежности для многолучевых барьеров и завес безопасности      
      • Принадлежности для монтажа
      • Принадлежности для настройки и тестирования
      • Угловые зеркала
    • Принадлежности для оптоволоконных датчиков
    • Принадлежности для систем идентификации      
      • Адаптеры для антенн
      • Монтажные принадлежности
      • Соединительные кабели для антенн
    • Принадлежности для систем сигнализации и изображения      
      • Монтажные принадлежности для систем сигнализации и изображения
    • Принадлежности для систем управления и автоматизации
    • Принадлежности для фотоэлектрических датчиков      
      • Диафрагмы
      • Зеркальные насадки
      • Объективы и комплектующие
      • Оптические фильтры
      • Отражающие зеркала
      • Подсветки
      • Рефлекторы (отражатели) для оптических датчиков
      • Юстировочные приспособления
    • Принадлежности для энкодеров      
      • Кодовая лента для энкодеров
    • Регуляторы реактивной мощности и тиристорные модули      
      • Регуляторы реактивной мощности
    • Еще
  • Программируемые логистические контроллеры (PLC)
  • Программируемые системы и устройства
    Программируемые системы и устройства
    • Аксессуары к программируемым устройствам
    • Вводы      
      • Вертикальные
      • Номинального тока
    • Контроллер промышленный
    • Модули ввода/вывода
    • Панели оператора
    • Программируемые реле      
      • Программируемые логические реле
    • Пускорегулирующие устройства
  • Промышленная автоматизация
    • Автоматизация безопасности
    • Автоматы, диффавтоматы, узо      
      • Автоматические выключатели
      • Выключатели нагрузки
      • Дифференциальные автоматы (дифавтомат)
      • Доп оборудование
      • Зарядные станции
      • Модульные контакторы
      • Разъединители-предохранители
      • Устройства защитного отключения (УЗО)
    • Аксессуары Honeywell      
      • Термопары Honeywell
    • Аксессуары для автоматики
    • Аксессуары для разъемов
    • Блоки
    • Блоки питания
    • Выключатели      
      • Аварийные
      • В корпусе
      • Выключатели жалюзи (рольставней)
      • Выключатели и переключатели
      • Выключатели разъединители Lovato
      • Выключатели самовозвратные
      • Выключатели со шнуром
      • Звонки
      • Карточные выключатели
      • Клавиши
      • Комплектующие
      • Концевые
      • Кулачковые
      • Нагрузки
      • Поворотные выключатели
      • Сенсорные и электронные
    • Датчики
    • Инсталляционные приборы
    • Клеммы и штекерные соединители для печатных плат      
      • Клеммы для печатных плат
      • Разъемы для печатных плат
      • Сильноточные проходные клеммы
      • Штекерные соединители плата-плата
    • Контроль климата      
      • Вентиляция воздуха
      • Кондиционеры
      • Термостаты и обогреватели
    • Корпуса      
      • Для автоматов
      • Для счетчиков
      • Изолированные
    • Лицевые панели (накладки)      
      • Заглушки
      • На USB розетки
      • На вывод кабеля
      • На карточные выключатели
      • На компьютерные розетки
      • На мультимедийные розетки
      • На поворотные выключатели
      • На светорегуляторы и реостаты
      • На таймеры
      • На ТВ розетки
      • На электрические розетки
    • Лючки, коробки, стойки, комплектующие      
      • Короба и комплектующие
      • Коробки
      • Лючки
      • Стойки и колонны
    • Маркировка и нанесение обозначений      
      • Маркировка клемм
      • Маркировка оборудования
      • Маркировка проводников и кабелей
      • Маркировка устройств
      • ПО для проектирования и маркировки
      • Система RFID для маркировки оборудования и установок
      • Системы печати и маркировки
    • Модули      
      • Модули расширения и принадлежности
    • Модули Controllogix
    • Мониторинг      
      • Измерение энергии и мощности
      • Мониторинг и диагностика
      • Устройства измерения тока и напряжения
    • Оборудование Mean Well
    • Панели
    • Пластиковые и металлические щиты      
      • Аксессуары для щитов
      • Клеммы и комплектующие
      • Металлические щиты
      • Напольные щиты
      • Пластиковые щиты
      • Сборные корпуса щитов
      • Щиты, шкафы, шинопровод
    • Преобразователи частоты Powerflex
    • Программы и программные приложения      
      • Программное обеспечение и приложения Synergy
    • Промышленные системы      
      • Дополнительное оборудование
      • Контроллеры, модули и коммутаторы
      • Проектная приводная техника
      • Промышленные датчики Telemecanique
      • Серводвигатели
      • Системы управления
      • Частотно-регулируемые преобразователи (ЧРП)
    • Радио      
      • Аксессуары для радио
      • Динамики
      • Радиоприемники
    • Разъемы компьютерные
    • Разъемы промышленные
    • Рамки      
      • 1-постовые
      • 2-постовые
      • 3-постовые
      • 4-постовые
      • 5-постовые
      • Адаптеры и переходники для рамок
      • Монтажные и модульные рамки
    • Регуляторы и датчики      
      • Датчики переключения
      • Датчики присутствия и движения
      • Дисплеи и домофоны
      • Идентификация
      • Измерительные датчики
      • Передача данных и компоненты управления
      • Регуляторы
      • Светорегуляторы (диммеры)
      • Таймеры
      • Терморегуляторы
      • Устройства для промышленной безопасности
      • Устроства для системы промышленного зрения и обработки изображения
    • Реле      
      • Аналоговые реле
      • Времени
      • Вспомогательное
      • Импульсное
      • Импульсные реле
      • Контроля
      • Контроля фаз
      • Перегрузки
      • Приоритетное
      • Реле контроля тока утечки на землю
      • Реле контроля уровня проводящей жидкости
      • Термисторное
      • Установочное
      • Электронные реле
    • Реле электромагнитные
    • Розетки      
      • USB-розетки
      • Аудио-розетки
      • Выводы кабеля
      • Компьютерные розетки
      • Мультимедийные розетки
      • Промышленные розетки и разъемы
      • Розеточные блоки
      • Специальные и модульные розетки
      • ТВ-розетки
      • Телефонные розетки
      • Удлинители
      • Электрические розетки
      • Электрические с USB
    • Силовое оборудование      
      • Автоматические воздушные выключатели
      • Автоматические выключатели в литом корпусе
      • Анализаторы мощности сети
      • Конденсаторы
      • Предохранители
      • Пускорегулирующая аппаратура
      • Рубильники
      • Светосигнальная аппаратура
      • Трансформаторы
      • Устройства плавного пуска
      • Щитовые приборы
    • Системная кабельная разводка для контроллеров      
      • Компоненты для дополнительного оснащения и модернизации
      • Разделитель потенциалов
      • Специальная кабельная разводка для контроллеров
      • Универсальные модули
      • Универсальный кабель
    • Устройства защиты      
      • Автоматические защитные выключатели
    • Функциональная безопасность      
      • Безопасные устройства управления
      • Коммутационные аппараты систем безопасности
      • Конфигурируемые системы безопасности
      • Предохранительный выключатель
    • Частотно-регулируемые приводы
    • Шкафы
    • Щиты
    • Электронные коммутационные аппараты и устройства управления двигателем
    • Еще
  • Промышленное освещение
    Промышленное освещение
    • Светодиодное производственное освещение станков и оборудования
  • Промышленные коммуникационные технологии
    • Комплектующие для Industrial Ethernet
    • Комплектующие для Industrial Wireless
    • Передача данных по полевой шине
    • Продукты в соответствии с протоколами
    • Удаленная связь
  • Промышленные сетевые интерфейсы
    Промышленные сетевые интерфейсы
    • AS-i интерфейс      
      • AS-i Датчики контроля заземления и изоляции
      • Дверные выключатели безопасности AS-i
      • Модули с AS-i интерфейсом
      • Пневмоострова AS-i для пневматических систем
      • Шлюзы с AS-i интерфейсом
    • IO-Link интерфейс      
      • Модули IO-Link
      • Принадлежности для системы IO-Link
  • Распределённая система управления (DCS)
  • Сигнальное оборудование
    Сигнальное оборудование
    • Светодиодные LED индикаторы
    • Светосигнальные колонны      
      • Светодиодные сигнальные колонны
  • Системы идентификации
    Системы идентификации
    • 2D Сканеры кода Data Matrix
    • RFID оборудование      
      • RFID Антенны
      • RFID метки транспондеры
      • RFID портативные приборы чтения-записи
      • RFID считыватели меток
      • Блоки контроля и обработки RFID
    • Ручные сканеры 1D штрих-кодов
    • Ручные сканеры 2D штрих-кодов
    • Сканеры 1D штрих-кодов
    • Сканеры 2D штрих-кодов
  • Системы мониторинга и диагностики
    Системы мониторинга и диагностики
    • Датчики контроля качества масла
    • Системы для мониторинга и диагностики вибрации      
      • Акселерометры
      • Датчики вибрации
      • Приборы диагностики вибрации
  • Системы технического зрения
    Системы технического зрения
    • 2D-датчики
    • 3D-датчики
    • 3D-камеры
    • Видеокамеры для подвижной техники
    • Датчики изображения для точного позиционирования
    • Принадлежности для 3D-датчиков и камер
  • Телефонное оборудование
    • Аналоговые телефоны      
      • NEC для аналога
      • Аксессуар для аналога
    • УПАТС      
      • NEC
  • Умный дом
    • Автоматика и шкафы
    • Исполнительные и системные устройства
    • Принадлежности
    • Теплый пол
    • Электронные и сенсорные выключатели
  • Устройства HMI и промышленные ПК
    • Промышленные ПК
    • Устройства HMI
    • ЧМИ и промышленные ПК для неблагоприятных условий окружающей среды
  • Устройства и оборудование от Siemens
    Устройства и оборудование от Siemens
    • Автоматизация Siemens SIMATIC      
      • SIMATIC DP
      • Simatic S7
      • SIPLUS LOGO
      • Логические модули Siemens LOGO!
      • Модули центральных процессоров
      • Программаторы Field PG M6
      • Система автоматизации SIMATIC TDC
      • Система соединителей
      • Система управления движением SIMOTION
      • Системы ввода/вывода
    • Промышленные компьютеры      
      • Flat Panels
      • SIMATIC Box PC
      • SIMATIC Panel PС
      • SIMATIC Rack PC
      • Панели оператора SIPLUS HMI
      • Системы визуализации SIMATIC HMI
      • Устройства для особых требований
    • Частотные преобразователи Siemens      
      • SINAMICS DCM
      • SINAMICS S120CM
      • Базовая система сервопривода SINAMICS V90
      • Высокопроизводительные преобразователи SINAMICS S
      • Отраслевые преобразователи частоты
      • Преобразователи частоты общего назначения
      • Приводная система SIMATIC MICRO-DRIVE
      • Распределенные преобразователи частоты
      • Распределенный сервопривод SINAMICS S120M
      • Сервоприводная система SINAMICS S200
      • Сервоприводная система SINAMICS S210
      • Частотный преобразователь SINAMICS S150
  • Холодильные компрессоры
    • Поршневые компрессоры      
      • Поршневые компрессоры Bitzer
    • Спиральные компрессоры      
      • Cпиральные компрессоры Danfoss
      • Спиральные компрессоры Copeland
      • Спиральные компрессоры Hitachi
      • Спиральные компрессоры Mitsubishi Heavy
      • Спиральные компрессоры Panasonic
      • Спиральные компрессоры Samsung
  • Электромеханическое оборудование
    Электромеханическое оборудование
    • Комплектующие для контроллеров
    • Пневматические системы управления
    • Пневмоострова
    • Системы перемещения
    • Системы позиционирования
    • Электромеханические приводы
    • Электронные контроллеры
    • Электротехнические клеммы      
      • Болтовое соединение
      • Быстрое соединение
      • Винтовой зажим
      • Зажим push-in
      • Нестандартное подключение
      • Пружинные зажимы
      • Список продукции: Принадлежности
      • Электротехнические клеммы для систем защиты и управления
  • Электроустановочные изделия
  • Энкодеры
    Энкодеры
    • Абсолютные энкодеры      
      • Абсолютные многооборотные энкодеры
      • Абсолютные однооборотные энкодеры
    • Датчики Энкодеры
    • Индуктивные датчики угловых перемещений
    • Инкрементальные энкодеры
    • Линейные энкодеры      
      • Магнитные линейные энкодеры
      • Тросовые энкодеры
    • Программируемые энкодеры
Бренды
Услуги
Компания
  • О компании
  • Отзывы
Информация
  • Реквизиты
  • Доставка и оплата
  • Гарантия на товар
  • Политика конфиденциальности
Контакты
Сделать запрос
    Войти
    0
    0 Корзина
    Промопт
    Каталог
    zakaz@promopt.store
    +7 495-127-06-21
    +7 495-127-06-21
    Заказать звонок
    E-mail
    zakaz@promopt.store
    Адрес

    Адрес офиса: г. Красноярск, пр-кт им. Газеты «Красноярский Рабочий», д. 27 стр. 64, пом. 7

    Адрес склада: Северный м-н, Советский район, г. Красноярск, Светлогорская улица, 39

    +7 495-127-06-21

    Войти
    0 Избранное
    0 Корзина
    Промопт
    Телефоны
    +7 495-127-06-21
    Заказать звонок
    0
    0
    Промопт
    • Кабинет
    • 0 Избранное
    • 0 Корзина
    • +7 495-127-06-21
      • Назад
      • Телефоны
      • +7 495-127-06-21
      • Заказать звонок
    • zakaz@promopt.store
    • Адрес офиса: г. Красноярск, пр-кт им. Газеты «Красноярский Рабочий», д. 27 стр. 64, пом. 7

      Адрес склада: Северный м-н, Советский район, г. Красноярск, Светлогорская улица, 39

      +7 495-127-06-21

    Главная
    Каталог
    Кабели и провода
    Кабельная разводка датчиков и исполнительных элементов
    Список изделий: принадлежности

    Список изделий: принадлежности

    204 товара
    Фильтр
    Сначала популярные
    С начала алфавита
    С конца алфавита
    Сначала непопулярные
    Сначала популярные
    Сначала дешевые
    Сначала дорогие
    По возрастанию наличия
    По убыванию наличия
    Фильтр
    Сначала популярные
    С начала алфавита
    С конца алфавита
    Сначала непопулярные
    Сначала популярные
    Сначала дешевые
    Сначала дорогие
    По возрастанию наличия
    По убыванию наличия
    Цена
    Цена
    16
    10 835
    21 654
    32 473
    43 292
    Показать
    Бренд
    Показать
    Выбрано: 0 Показать
    Выбрано: 0
    Быстрый просмотр
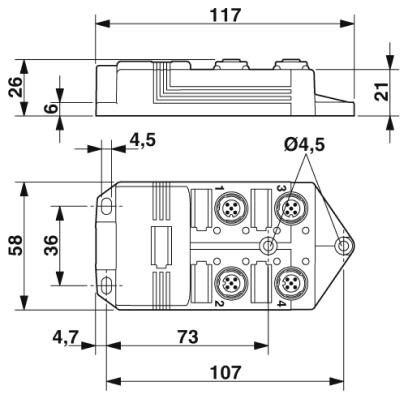
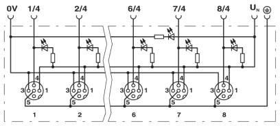
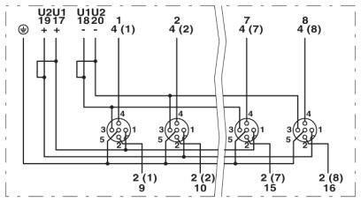
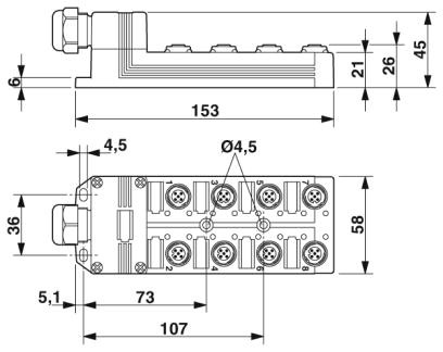
    Коробка датчика и исполнительного элемента SACB-8/16-C SCO Коробка датчика и исполнительного элемента SACB-8/16-C SCO Коробка датчика и исполнительного элемента SACB-8/16-C SCO Коробка датчика и исполнительного элемента SACB-8/16-C SCO Коробка датчика и исполнительного элемента SACB-8/16-C SCO
    12 712 ₽
    Коробка датчика и исполнительного элемента SACB-8/16-C SCO
    0
    В корзину
    Быстрый просмотр
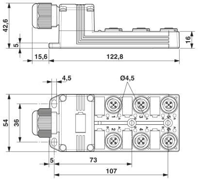
    Коробка датчика и исполнительного элемента SACB-8/ 8-L- 5,0PUR SCO P NPN Коробка датчика и исполнительного элемента SACB-8/ 8-L- 5,0PUR SCO P NPN Коробка датчика и исполнительного элемента SACB-8/ 8-L- 5,0PUR SCO P NPN Коробка датчика и исполнительного элемента SACB-8/ 8-L- 5,0PUR SCO P NPN Коробка датчика и исполнительного элемента SACB-8/ 8-L- 5,0PUR SCO P NPN
    9 765 ₽
    Коробка датчика и исполнительного элемента SACB-8/ 8-L- 5,0PUR SCO P NPN
    0
    В корзину
    Быстрый просмотр
    Коробка датчика и исполнительного элемента SACB-4/ 4-SC SCO P Коробка датчика и исполнительного элемента SACB-4/ 4-SC SCO P Коробка датчика и исполнительного элемента SACB-4/ 4-SC SCO P Коробка датчика и исполнительного элемента SACB-4/ 4-SC SCO P
    8 255 ₽
    Коробка датчика и исполнительного элемента SACB-4/ 4-SC SCO P
    0
    В корзину
    Быстрый просмотр
    Магистральный кабель SAC-6P- 5,0-PURMC/M12FR Магистральный кабель SAC-6P- 5,0-PURMC/M12FR Магистральный кабель SAC-6P- 5,0-PURMC/M12FR Магистральный кабель SAC-6P- 5,0-PURMC/M12FR
    3 135 ₽
    Магистральный кабель SAC-6P- 5,0-PURMC/M12FR
    0
    В корзину
    Быстрый просмотр
    Колпачок PROT-M12 FS-PA-CHAIN Колпачок PROT-M12 FS-PA-CHAIN
    374 ₽
    Колпачок PROT-M12 FS-PA-CHAIN
    0
    В корзину
    Быстрый просмотр
    Разъем с кабелем SACB-C-H180-8/16-50,0PUR SCO P Разъем с кабелем SACB-C-H180-8/16-50,0PUR SCO P Разъем с кабелем SACB-C-H180-8/16-50,0PUR SCO P
    35 338 ₽
    Разъем с кабелем SACB-C-H180-8/16-50,0PUR SCO P
    0
    В корзину
    Быстрый просмотр
    Разъем с кабелем SACB-C-H180 8/16 SCO
    2 528 ₽
    Разъем с кабелем SACB-C-H180 8/16 SCO
    0
    В корзину
    Быстрый просмотр
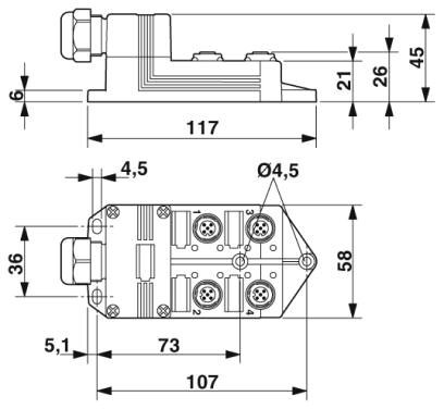
    Коробка датчика и исполнительного элемента SACB-4/ 4-C SCO Коробка датчика и исполнительного элемента SACB-4/ 4-C SCO Коробка датчика и исполнительного элемента SACB-4/ 4-C SCO Коробка датчика и исполнительного элемента SACB-4/ 4-C SCO Коробка датчика и исполнительного элемента SACB-4/ 4-C SCO
    7 706 ₽
    Коробка датчика и исполнительного элемента SACB-4/ 4-C SCO
    0
    В корзину
    Быстрый просмотр
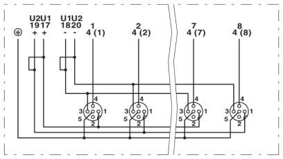
    Коробка датчика и исполнительного элемента SACB-8/16-L-15,0PUR SCO P Коробка датчика и исполнительного элемента SACB-8/16-L-15,0PUR SCO P Коробка датчика и исполнительного элемента SACB-8/16-L-15,0PUR SCO P Коробка датчика и исполнительного элемента SACB-8/16-L-15,0PUR SCO P Коробка датчика и исполнительного элемента SACB-8/16-L-15,0PUR SCO P
    19 067 ₽
    Коробка датчика и исполнительного элемента SACB-8/16-L-15,0PUR SCO P
    0
    В корзину
    Быстрый просмотр
    Коробка датчика и исполнительного элемента SACB-4/ 8-10,0PUR SCO Коробка датчика и исполнительного элемента SACB-4/ 8-10,0PUR SCO Коробка датчика и исполнительного элемента SACB-4/ 8-10,0PUR SCO Коробка датчика и исполнительного элемента SACB-4/ 8-10,0PUR SCO Коробка датчика и исполнительного элемента SACB-4/ 8-10,0PUR SCO
    13 867 ₽
    Коробка датчика и исполнительного элемента SACB-4/ 8-10,0PUR SCO
    0
    В корзину
    Быстрый просмотр
    Коробка датчика и исполнительного элемента SACB-6/ 6-L-C SCO P Коробка датчика и исполнительного элемента SACB-6/ 6-L-C SCO P Коробка датчика и исполнительного элемента SACB-6/ 6-L-C SCO P Коробка датчика и исполнительного элемента SACB-6/ 6-L-C SCO P
    9 548 ₽
    Коробка датчика и исполнительного элемента SACB-6/ 6-L-C SCO P
    0
    В корзину
    Быстрый просмотр
    Корпус коробки датчика и исполнительного элемента SACB-4/ 4-L-C GG SCO Корпус коробки датчика и исполнительного элемента SACB-4/ 4-L-C GG SCO Корпус коробки датчика и исполнительного элемента SACB-4/ 4-L-C GG SCO Корпус коробки датчика и исполнительного элемента SACB-4/ 4-L-C GG SCO Корпус коробки датчика и исполнительного элемента SACB-4/ 4-L-C GG SCO
    5 670 ₽
    Корпус коробки датчика и исполнительного элемента SACB-4/ 4-L-C GG SCO
    0
    В корзину
    Быстрый просмотр
    Коробка датчика и исполнительного элемента SACB-8/16-C OD Коробка датчика и исполнительного элемента SACB-8/16-C OD Коробка датчика и исполнительного элемента SACB-8/16-C OD Коробка датчика и исполнительного элемента SACB-8/16-C OD Коробка датчика и исполнительного элемента SACB-8/16-C OD
    17 028 ₽
    Коробка датчика и исполнительного элемента SACB-8/16-C OD
    0
    В корзину
    Быстрый просмотр
    Защитный колпачок KSK 1
    73 ₽
    Защитный колпачок KSK 1
    0
    В корзину
    Быстрый просмотр
    Коробка датчика и исполнительного элемента SACB-6/ 6-C SCO P Коробка датчика и исполнительного элемента SACB-6/ 6-C SCO P Коробка датчика и исполнительного элемента SACB-6/ 6-C SCO P Коробка датчика и исполнительного элемента SACB-6/ 6-C SCO P
    8 506 ₽
    Коробка датчика и исполнительного элемента SACB-6/ 6-C SCO P
    0
    В корзину
    Быстрый просмотр
    Коробка датчика и исполнительного элемента SACB-8/ 8-L-M23 180 Коробка датчика и исполнительного элемента SACB-8/ 8-L-M23 180 Коробка датчика и исполнительного элемента SACB-8/ 8-L-M23 180 Коробка датчика и исполнительного элемента SACB-8/ 8-L-M23 180 Коробка датчика и исполнительного элемента SACB-8/ 8-L-M23 180
    13 976 ₽
    Коробка датчика и исполнительного элемента SACB-8/ 8-L-M23 180
    0
    В корзину
    Быстрый просмотр
    Колпачок PROT-M 8 FS-PA-CHAIN-EYE
    362 ₽
    Колпачок PROT-M 8 FS-PA-CHAIN-EYE
    0
    В корзину
    Быстрый просмотр
    Разъем с кабелем SACB-C-H180-8/16- 5,0PUR SCO Разъем с кабелем SACB-C-H180-8/16- 5,0PUR SCO
    7 359 ₽
    Разъем с кабелем SACB-C-H180-8/16- 5,0PUR SCO
    0
    В корзину
    Быстрый просмотр
    Заглушки Q-PROT 9/11 Заглушки Q-PROT 9/11
    102 ₽
    Заглушки Q-PROT 9/11
    0
    В корзину
    Быстрый просмотр
    Коробка датчика и исполнительного элемента SACB-8/ 8- 5,0PUR SCO P Коробка датчика и исполнительного элемента SACB-8/ 8- 5,0PUR SCO P Коробка датчика и исполнительного элемента SACB-8/ 8- 5,0PUR SCO P Коробка датчика и исполнительного элемента SACB-8/ 8- 5,0PUR SCO P Коробка датчика и исполнительного элемента SACB-8/ 8- 5,0PUR SCO P
    8 936 ₽
    Коробка датчика и исполнительного элемента SACB-8/ 8- 5,0PUR SCO P
    0
    В корзину
    Загрузить еще
    1 2 3 ... 11
    Категория
    • Кабели и провода
      • Кабельная разводка датчиков и исполнительных элементов
        • Кабели для применения в Северной Америке
        • Кабельные соединения специального назначения
        • Подготовленные кабели
        • Приборные соединители
        • Разветвители и адаптеры
        • Список изделий: принадлежности
        • Товар на метры
        • Штекерный соединитель
    Подписаться
    на новости и акции
    Интернет-магазин
    Каталог
    Бренды
    Услуги
    Компания
    О компании
    Отзывы
    Информация
    Реквизиты
    Доставка и оплата
    Гарантия на товар
    Политика конфиденциальности
    Помощь
    Защита личных данных
    Для юридических лиц
    Контакты
    zakaz@promopt.store

    Адрес офиса: г. Красноярск, пр-кт им. Газеты «Красноярский Рабочий», д. 27 стр. 64, пом. 7

    Адрес склада: Северный м-н, Советский район, г. Красноярск, Светлогорская улица, 39

    +7 495-127-06-21

    © 2019 — 2026 Промопт
    Конфиденциальность
    Оферта
    Главная Каталог 0 Корзина 0 Избранные Кабинет Акции Контакты Услуги Бренды Отзывы Компания Лицензии Документы Реквизиты Поиск Блог Обзоры